No such thing as an "AC fuse" , nor a "DC fuse". All are rated in amps . If you need a 1 amp fuse; it wil work to limit current to one amp; RMS Ac or straight DC.
More >>Rated Current (In): 250A, 315A, 350A, 400A
Insulation Voltage (Ui): 1500V
Impulse Voltage (Uimp): 12kV
Operational Voltage (Ue): DC250V, DC500V, DC750V, DC1000V, DC1500V
Breaking Capacity (Icu): DC250V/500V: 25kA; DC750V/1000V: 15kA; DC1500V: 10kA (2P);DC1000V:30kA;DC1500V:25kA(3P)
Service Capacity (Ics): 100%Icu
Standards: GB/T14048.1, GB/T14048.2
| Model | ATDM5DC-400 | ATDM5DC-400 | |
| 2P External Dimensions | 3P External Dimensions | ||
| Rated current (A) | In | 250A、315A、350A、400A | |
| Rated insulation voltage(V) | Ui | 1500V | |
| Rated impulse withstand voltage(kV) |
Uimp | 12kV | |
| Rated operational voltage (V) |
Ue | DC250V、DC500V、DC750V、DC1000V、DC1500V | DC1000V、DC1500V |
| Rated Ultimate Short-circuit Breaking Capacity (kA) | Icu | DC250V、DC500V:25 DC750V、DC1000V:15 DC1500V:10 |
DC1000V:30 DC1500V:25 |
| Rated service short-circuit breaking capacity(kA) |
Ics | 100%Icu | |
| Connection Method | Pic1 | Pic2 | |
| Isolation Function | Available | ||
| Utilization Category | Cat. | A | |
| Mechanical Life | Times | 15000 | |
| Electrical Life | Times | 1000 | |
| Arcing Distance | mm | ≯100 | |
| Dimensions | mm | 270x130x156 | 270x182x156 |
| Reference Ambient Temperature |
℃ | 40 | |

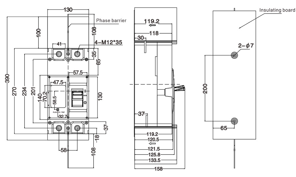
ATDM5DC-400 Mounting dimension of front connection(3P)
Note: The characteristic curve is measured under cold conditions and three-phase load

The ATDM5DC Series represents the pinnacle of high-voltage DC protection, specifically engineered for the rigorous demands of modern renewable energy infrastructure. Rated for operational voltages up to DC 1500V, these Moulded Case Circuit Breakers (MCCB) provide a versatile safety backbone for Utility-Scale Solar PV, Wind Power, and Battery Energy Storage Systems (BESS).
●High-Voltage Leadership: Fully optimized for DC 1500V electrical systems, ensuring compatibility with the latest global high-efficiency power architectures.
●Certified Safety & Isolation: Features a dedicated isolation function (Symbol:⊥⭕ ) that guarantees complete circuit disconnection for secure maintenance and operational peace of mind.
●Extreme Environmental Resilience: Engineered to perform reliably in harsh climates, with a temperature tolerance ranging from -45°C to +70°C and stable operation at altitudes up to 2000m.
●Industrial-Grade Durability: Rated for Pollution Level 3, the series utilizes advanced corrosion-resistant materials to prevent interference from conductive dust and gases in demanding industrial sites.
●Flexible Installation: Designed for versatile deployment, these breakers can be installed horizontally or vertically without compromising performance or protection integrity.
Whether protecting Solar Combiner Boxes and DC Busbars, securing Battery Racks in Energy Storage Systems, or managing Wind Turbine control circuits and EV Charging infrastructure, the ATDM5DC series delivers the high-breaking capacity and thermal stability required for critical DC applications worldwide.
If you have any questions or comments, we are ready to help. Please allow 24 hours of response time in working days
GET A QUOTE