No such thing as an "AC fuse" , nor a "DC fuse". All are rated in amps . If you need a 1 amp fuse; it wil work to limit current to one amp; RMS Ac or straight DC.
More >>Standard: IEC60269,ISO8820,GB/T31465
Rated Voltage: AC/DC750V
Rated Current: 35-800A
Breaking Capacity: AC100kA,DC50kA
CE Approved and comply with RoHs.

|
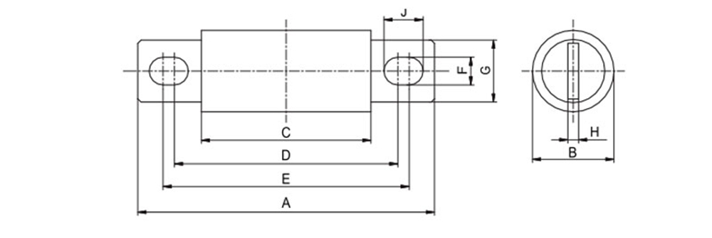
Figure No. |
A±2 |
B±0.5 |
C±0.5 |
D±1.5 |
E±1.5 |
F±1 |
G±1 |
H±0.2 |
|
02B92 |
112 |
25 |
72 |
88 |
96 |
8.5 |
19 |
4 |
|
03B95 |
116 |
30 |
72 |
90 |
98 |
8.5 |
24 |
5 |
|
04B100 |
128 |
38 |
72 |
90 |
108 |
10.5 |
25 |
6 |
|
05B102 |
130 |
51 |
72 |
90 |
108 |
10.5 |
38 |
6 |
|
06B120 |
174 |
63 |
72 |
128.5 |
139.5 |
12.5 |
51 |
10 |
|
07B128 |
172 |
75 |
72 |
123 |
133 |
13 |
60 |
10 |
|
Type |
Figure No. |
Rated current (A) |
Watts Loss (W) |
Energy Integrals I²t(A²s) |
|
|
Pre-Arcing I²t |
TotaI I²t |
||||
|
ATES-MF |
02B92 |
35 |
9.5 |
34 |
148 |
|
40 |
10.5 |
74 |
300 |
||
|
45 |
11.5 |
95 |
420 |
||
|
50 |
12 |
135 |
590 |
||
|
60 |
13 |
190 |
870 |
||
|
70 |
17 |
300 |
1680 |
||
|
80 |
19 |
350 |
2000 |
||
|
90 |
22.5 |
400 |
2500 |
||
|
100 |
24 |
540 |
3300 |
||
|
03B95 |
125 |
27 |
1430 |
6500 |
|
|
150 |
31 |
2660 |
9500 |
||
|
175 |
34 |
3900 |
15700 |
||
|
200 |
40 |
5200 |
19950 |
||
|
04B100 |
225 |
43 |
7300 |
29500 |
|
|
250 |
45 |
9400 |
39900 |
||
|
275 |
49 |
11900 |
59900 |
||
|
300 |
53 |
16200 |
67500 |
||
|
05B102 |
325 |
57 |
19500 |
79400 |
|
|
350 |
61 |
22800 |
90300 |
||
|
400 |
73 |
31000 |
118800 |
||
|
06B134 |
450 |
90 |
34200 |
129200 |
|
|
500 |
100 |
42800 |
159600 |
||
|
600 |
114 |
64600 |
242300 |
||
|
07B128 |
700 |
119 |
67500 |
281200 |
|
|
800 |
133 |
75100 |
416100 |
||
TIME CURRENT CURVE

Aite fuse offers Energy Storage System (ESS) dedicated fuses for protecting high-power battery charging/discharging and energy conversion equipment. These round tube bolted fuses feature small size, high breaking capacity, and resistance to current impact, while also being able to withstand high-strength mechanical vibration and shock, wide temperature range impact, and strong chemical load. They are highly suitable for the Energy Storage industry application, and can be used for the short-circuit and backup protection of ESS drive power systems, power conversion systems (PCS), energy management systems, battery racks, and high-voltage DC busbars, serving as a critical component to enhance the system's safety and reliability.
Note: All test data in this specification are measured under DC environment time constant (expected test current>50KAtake 10-15ms: expected test current l<50KA, take 0.5xl°3)and wiring methods refer toISO8820GB/T31465
We are a professional manufacturer for high-quality various DC or AC Fuses, located in Yueqing Economic Development Zone, Zhejiang Province. Our company is committed to R&D, production and sales of circuit protection devices, fuses and related accessories. The company has introduced high-tech talents from the industry standards committee, and has strong technical force to provide customers with a full range of circuit protection solutions. The company's main products are: fuses for photovoltaic (inverter) protection, fuses for new energy electric vehicle system protection, fuse for charging pile system protection, Fuses for energy storage protection, high voltage current limiting protection, etc.
1.Could I have prices of your products?
Welcome. Please feel free to send us an email here. You will get our reply in 24 hours
2.Can we print our logo/website/company name on products?
Yes, MOQ 1000 per each.
3.What's the lead time for regular order?
7-15 days for order regular quantity.
4.Can I get a discount?
Yes, for the order quantity more than 1000 pcs, please contact us to get the best price.
5.Do you inspect the finished products?
Yes, each step of production and finished products will be came out inspection by QC department before shipping.
If you have any questions or comments, we are ready to help. Please allow 24 hours of response time in working days
GET A QUOTE